欢迎加入省钱无忧
亲,请登录
或
免费注册
|
联系客服
搜淘宝
搜京东
搜拼多多
搜唯品会
搜索
今日热搜:
制管
因果经
撞墙
鱼栖林
主次
姬姆萨
微信扫一扫
关注微信公众号
查券更方便
首页
双十一预售
9块9包邮
超级人气榜
品牌优惠券
唯品会
京东优惠券
拼多多券
优惠券头条
线报捡漏
09月11日:全棉时代纯棉卫生巾任选⑥件到手45.9
09月11日:三全包子早餐面点,任选10件49.26,单袋折4.9元
09月11日:金锣大里昂烤肠拍⑤件24.9亓
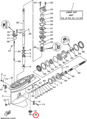
38翟墨雅马哈舷外机船外挂机橡皮
14元
¥14
预计返¥ 0.13
活动结束时间:01-01 08:00
累计销量 :
0
件
TAG标签:
雅马哈
舷外机
挂机
橡皮
立即领券
复制优惠
手机淘宝扫码领券购买
商品详情
特别推荐
kato散粉定妆喷雾组合装控油持妆
原价¥99
4000
件
20元券
¥
79
哆啦A梦鼠标垫超大加厚锁边可爱创意卡通键盘防滑垫工位学习桌垫
原价¥16.9
400
件
5元券
¥
11.9
官方旗舰13年嘿潮黑麦威士忌
原价¥300
900
件
10元券
¥
290
咔滋红烧牛肉童年袋装方便面
原价¥20.6
4000
件
2元券
¥
18.6
南酸枣糕原味果糕江西特产蜜饯酸甜休闲零食办公室下午茶零食解馋
原价¥11.9
900
件
5元券
¥
6.9
卢师傅五仁月饼黑芝麻花生酥
原价¥24.9
19
件
5元券
¥
19.9
庄里人正宗黄庄月饼手工酥皮
原价¥32.8
8000
件
8元券
¥
24.8
鸭得堡鸭血粉丝汤自煮夜宵速食
原价¥79.9
3000
件
17元券
¥
62.9
2024年春季跑步鞋休闲鞋361
原价¥200
900
件
101元券
¥
99
美加净蜂蜜倍润护肤套装
原价¥65
1000
件
10元券
¥
55
欧舒丹腊菊泡沫男士洗面奶
原价¥220
400
件
20元券
¥
200
Evereden安唯伊低泡幼儿洗沐用品
原价¥199
4000
件
10元券
¥
189